普通登录
快捷登录
立即登录
忘记密码
|
免费注册
点击获取验证码
立即登录
免费注册
找回密码
点击获取验证码
下一步
登录
个人注册
点击获取验证码
注册并登录
我已阅读并同意
《渝税网用户协议》
直接登录
首页
资讯
地方政策
专题报道
政策解读
问答
天畅好会计
线上课程
线下培训
下载中心
登录
暂不续费
马上续费
马上续费,更多惊喜等着您
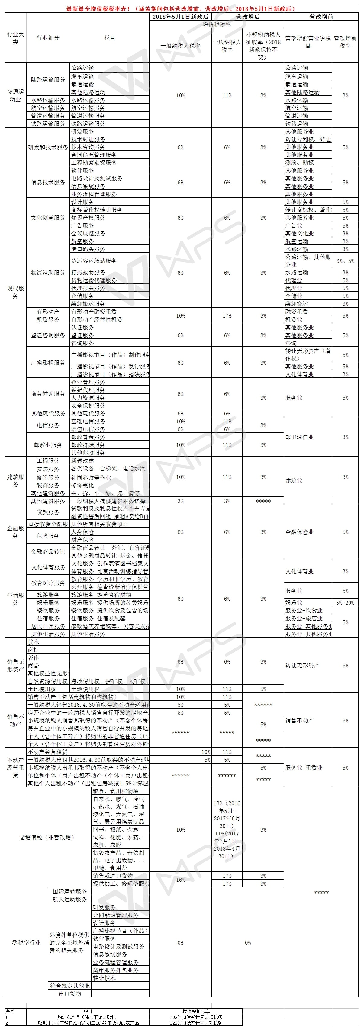
最新最全增值税税率表!(涵盖期间包括营改增前、营改增后、2018年5月1日新政后)
2018-04-17 09:21:33
来源:中税云科
5795
2
2
分享到:
标签:
增值税 营改增
评论
赞一下
2
收藏
用微信扫一扫,微信打开后点击右上角“分享”
分享到
资讯评论
文明上网理性发言,请遵守评论服务协议
0
条评论
请输入5个字以上(
0
/200)
评论
搜索
热搜词推荐:
财税快讯 会计必看 最新政策
服务 公告
出口退税
出口退税 申报
会员服务声明
公告
关于中税云科的会员服务声明...
服务公告
离职通告第201907期
真假"中税云科"辨别指南...
中税云科严正声明
关于中税云科
离职通告第201904期
中税云科服务公告
热门资讯
日排行
周排行
个人转让股(票)权涉及个税总结...
天天关注"税负",增值税税负率,你都算对...
快点自查!职工薪酬成为稽查新宠!这些补贴都将面临补税!...
炎炎夏日,公司组织员工集体避暑的涉税事项...
因过度筹划,某大企业补税2.1亿元...
税收筹划思维,很多细节你没有在意...
社会团体收取的会费是否征收增值税?...
精确理解个人股东借款的个税风险...
汇总开具的普通发票,是否必须通过税控系统开具清单...
8月1日起施行!新政策出炉,这五项内容有变化!...
天天关注"税负",增值税税负率,你都算对...
个人转让股(票)权涉及个税总结...
服务热线:023-95105151
0
4月征期截止时间:20日
关于我们
联系方式
公司简介
加入我们
帮助中心
网站地图
常见问题
如何观看
忘记密码
商务合作
天畅旗下产品服务介绍
客服热线:
023-95105151
关注天畅财税公众号